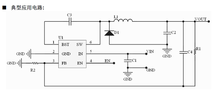
MD6204是内部集成了功率MOSFET的一款单片降压开关模式转换器。能够在宽输入范围内提供高达600mA的输出电流,并具有出色的负载调整率和线性调整率。在轻负荷时,稳压器工作在低频率,以保持高效率和低输出纹波。输入电压最小可低至4.5V,最大可达60V,甚至具有更高的瞬态电压。具有逐周期电流限制和热关断等故障保护功能。MD6204仅需要配备少量的外部组件即可实现降压功能,并采用节省空间的SOT23-6封装。

异步降压转换器MD6204特性:
· 宽输入电压范围:4.5V to 60V
· 600mA 连续输出电流
· 2MHz 开关频率
· 内置过流限制
· 内部软启动
· 900mΩ低RDS(ON)内部功率MOSFET
· 输出可从0.795V 调节
· 集成内部补偿
· 热关断
· 短路保护
· 40℃至+85℃工作温度范围

异步降压转换器MD6204用途:
· 功率计
· 分布式电源系统
· 充电器
· 线性稳压器的预稳压器
· 白光发光二极管驱动器



全国服务热线

